京ICP备2025118578号-1 Copyright © 北京中京建帮咨询有限公司 版权所有 Powered by EyouCms
本站除标明"本站原创"外所有版权归创作人所有,如有冒犯,请直接联系本站,我们将立即予以纠正并致歉!
资质标准
standard
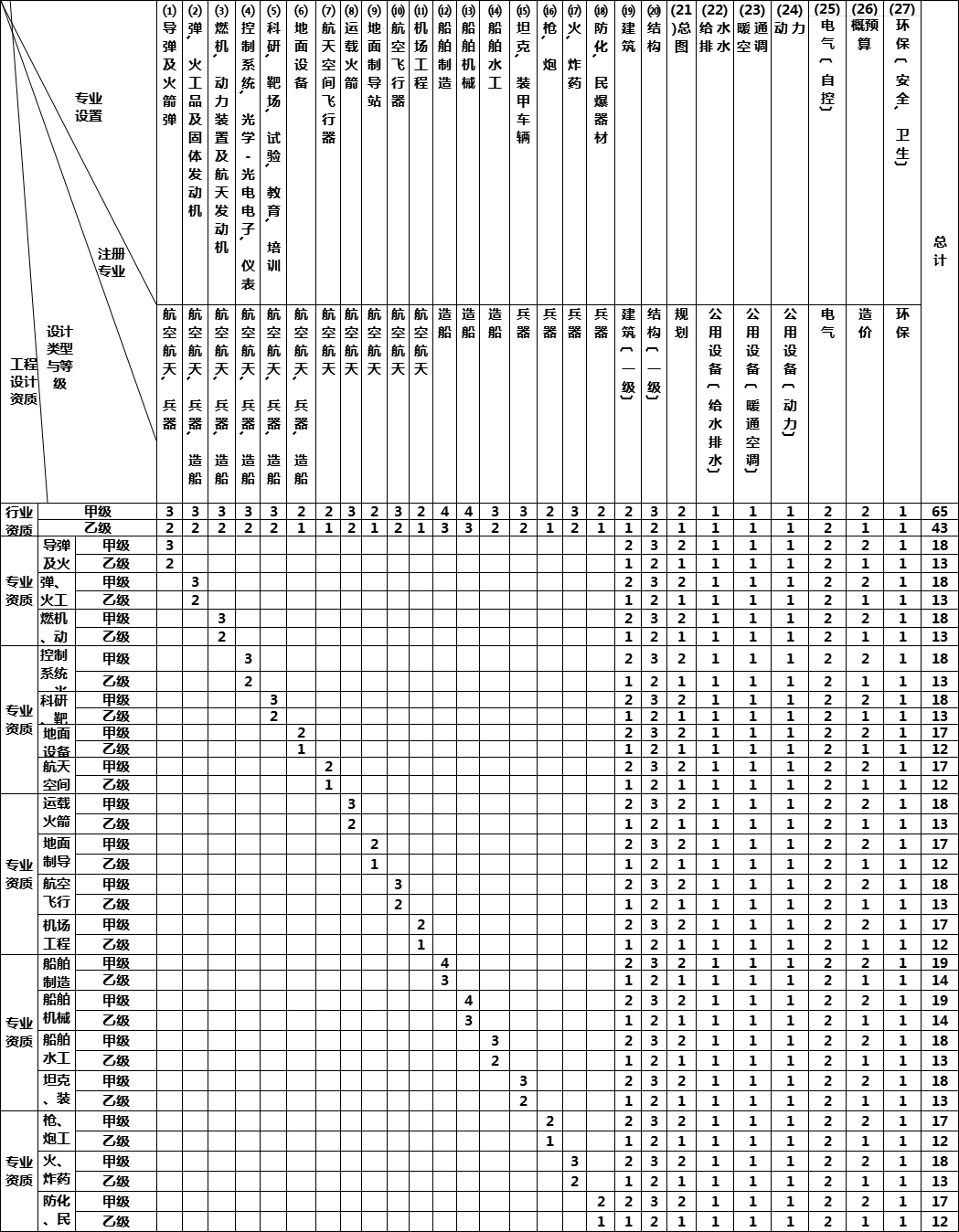
行业工程设计主要专业技术人员配备表

注:1.专业设置中的主导专业为:(1)—(18)的专业。
2.申请行业资质时,企业和人员业绩需包括本行业全部18个设计类型中的6个设计类型。
行业建设项目设计规模划分表
| 序号 | 建设项目 | 单位 | 大型 | 中型 | 小型 | 备注 |
| 1 | 导弹及火箭弹工程 | 万元 | >3000 | 1000~3000 | <1000 | 工程总投资 |
| 2 | 弹、火工品及固体发动机工程 | 万元 | >3000 | 1000~3000 | <1000 | 工程总投资 |
| 3 | 燃机、动力装置及航天发电机工程 | 万元 | >3000 | 1000~3000 | <1000 | 工程总投资 |
| 4 | 控制系统、光学、光电、电子、仪表工程 | 万元 | >3000 | 1000~3000 | <1000 | 工程总投资 |
| 5 | 科研、靶场、试验、教育培训工程 | 万元 | >3000 | 1000~3000 | <1000 | 工程总投资 |
| 6 | 地面设备工程 | 万元 | >2000 | 1000~2000 | <1000 | 工程总投资 |
| 7 | 航天空间飞行器 | 万元 | >3000 | 1000~3000 | <1000 | 工程总投资、面积或跨度;三项要求中有一个以上(含一个)达到大型标准,该项目即视为大型项目,同理类推 |
| 平方米 | >3000 | 1000~3000 | <1000 | |||
| 米 | >18 | 12~18 | <12 | |||
| 8 | 运载火箭 | 万元 | >3000 | 1000~3000 | <1000 | 工程总投资、面积或跨度;三项要求中有一个以上(含一个)达到大型标准,该项目即视为大型项目,同理类推 |
| 平方米 | >3000 | 1000~3000 | <1000 | |||
| 米 | >18 | 12~18 | <12 | |||
| 9 | 地面制导站 | 万元 | >3000 | 1000~3000 | <1000 | 工程总投资、面积或跨度;三项要求中有一个以上(含一个)达到大型标准,该项目即视为大型项目,同理类推 |
| 平方米 | >3000 | 1000~3000 | <1000 | |||
| 米 | >18 | 12~18 | <12 | |||
| 10 | 航空飞行器(综合) | 万元 | >10000 | 3000~10000 | <3000 | 工程总投资 |
| 航空飞行器(单项) | 万元 | >3000 | 1000~3000 | <1000 | 工程总投资 | |
| 11 | 机场工程 | 万元 | >10000 | 工程总投资 | ||
| 12 | 船舶制造工程 | 万吨/年 | >50 | 30~50 | <30 | 年造船能力 |
| 万元 | >20000 | 10000~20000 | <10000 | 工程总投资 | ||
| 13 | 船舶科研工程 | 万元 | >5000 | 3000~5000 | <3000 | 工程总投资 |
| 14 | 船舶机械工程 | 万元 | >5000 | 3000~5000 | <3000 | 工程总投资 |
| 15 | 船舶水工工程 | 万元 | >5000 | 3000~5000 | <3000 | 工程总投资 |
| 16 | 坦克、装甲车辆 | 万元 | >3000 | 1000~3000 | <1000 | 工程总投资 |
| 17 | 枪 | 万元 | >2000 | 1000~2000 | <1000 | 工程总投资 |
| 18 | 炮 | 万元 | >3000 | 1000~3000 | <1000 | 工程总投资 |
| 19 | 炸药、火药 | 万元 | >3000 | 1000~3000 | <1000 | 工程总投资 |
| 20 | 防化器材 | 万元 | >2000 | 1000~2000 | <1000 | 工程总投资 |
| 21 | 民爆器材 | 万元 | >2000 | 1000~2000 | <1000 | 工程总投资 |
行业配备注册人员的专业在未启动注册时专业设置对照表
| 专业设置 | 注册专业 | 未启动注册时的专业 | |
| (1)导弹及火箭弹 | 航空航天、兵器 | 导弹总体、机械制造类、材料工程类、导弹(火箭弹)设计、试验与制造工艺(含装配试验、冷加工、热加工、特种工艺) | |
| (2)弹、火工品及固体发动机 | 航空航天、兵器、造船 | 导弹总体、弹药工程、火化工工程、固体火箭发动机、机械、材料、固体火箭(含火工品)发动机设计、试验与制造工艺(含装配试验,冷加工、热加工、特种工艺) | |
| (3)燃机、动力装置及航天发动机 | 航空航天、兵器、造船 | 航天动力工程、机械制造、材料工程、发动机(含燃机)设计试验与制造工艺(含装配试验、冷加工、热加工、冲压焊接、特种工艺、理化计量等) | |
| (4)控制系统、光学、光电、电子、仪表 | 航空航天、兵器、造船 | 自动控制类、电子与通信类、航空机载电子设备与仪表设计试验、制造工艺(含装配试验、冷加工、热加工、光学加工、特种加工等) | |
| (5)科研、靶场、试验、教育、培训 | 航空航天、兵器、造船 | 计量、航天总体、机械、材料、电子通信类,科研、试验设备设计与制造、大型试验设施设计与制造 | |
| (6)地面设备 | 航空航天、兵器、造船 | 机械制造类、材料工程类、地面检测测试设备设计与制造 | |
| (7)航天空间飞行器 | 航空航天 | 空间飞行器、机械制造类、材料工程类 | |
| (8)运载火箭 | 航空航天 | 航天总体、机械制造类、材料工程类 | |
| (9)地面制导站 | 航空航天 | 电子与通信类、雷达、自动控制类 | |
| (10)航空飞行器 | 航空航天 | 飞行器(含飞机、直升机、无人机、巡航导弹)设计试验与制造工艺(含装配试验、冷加工、热加工、钣金成型、冲压焊接、复合材料、特种加工、理化计量等) | |
| (11)机场工程 | 航空航天 | 场道、场站、导航设计与试验 | |
| (12)船舶制造 | 造船 | 船舶及海洋工程、船舶动力、船舶电气、水工、冷加工、热加工、表面处理、非标设备、及机械化运输 | |
| (13)船舶机械 | 造船 | 船舶发动机(含船用高、中、低速柴油机,船用蒸气、燃气轮机等)、船舶动力装置、水中兵器、表面处理、装药、冷加工、热加工、非标设备及机械化运输 | |
| (14)船舶水工 | 造船 | 水工工艺、水工结构、港口及航道、水利、非标设备及机械化运输 | |
| (15)坦克、装甲车辆 | 兵器 | 坦克、装甲车辆工程设计 | |
| (16)枪、炮 | 兵器 | 枪炮工艺 | |
| (17)火、炸药 | 兵器 | 火炸药工艺 | |
| (18)防化、民爆器材 | 兵器 | 防化、民爆器材工艺 | |
| (21)总图 | 规划 | 规划(含城市规划、小区规划、工厂规划等) | |
| (22)暖通空调 | 公用设备(暖通空调) | 暖通空调 | |
| (23)给水排水 | 公用设备(给水排水) | 给水排水 | |
| (24)动力 | 公用设备(动力) | 锅炉及管道、供气、供油 | |
| (25)电气(自控) | 电气 | 供配电、照明、弱电 | |
| (27)环保(安全、卫生) | 环保 | 环保、劳动安全、职业卫生 | |
电话
免费热线,7*24小时
183-0107-8610
在线
咨询
1对1,在线顾问免费解答
服务时间:
周一至周日:9:00-18:00

微信咨询
专属顾问
随时随地咨询
返回
顶部